小姐联系信息大全_广深佛莞珠江夜猫子论坛_广东夜猫子品茶论坛

欢迎光临河北冀力重型机械设备有限公司 联系我们|收藏本站|网站地图

河北冀力重型机械设备有限公司

集研发、生产、销售于一体的大型企业

全国服务热线:400-606-7227

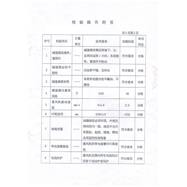
LF47风机检测报告

返回首页 来源:本站原创 发布日期:2020年10月20日


全国服务热线:400-606-7227在线咨询

主站蜘蛛池模板: 宣化县| 察哈| 修文县| 通山县| 禄丰县| 靖江市| 临洮县| 文水县| 武威市| 榆林市| 谷城县| 建宁县| 军事| 阿瓦提县| 安乡县| 阳原县| 青浦区| 比如县| 巩留县| 涞水县| 千阳县| 洪湖市| 马尔康县| 富民县| 石景山区| 共和县| 义乌市| 肇州县| 大足县| 额敏县| 宿松县| 正阳县| 汝州市| 陆河县| 扶沟县| 准格尔旗| 华坪县| 固始县| 哈巴河县| 铅山县| 沁水县|